威廉希尔·williamhill(中国)中文官方网站
首页
关于williamhill
公司介绍
愿景展望
williamhill官网
关联企业
公司视频
williamhill产品
海藻酸及其盐类
海藻酸丙二醇酯
海洋健康食品
海藻肥
williamhill动态
公司新闻
信息公示
审核认证
公司荣誉
公司历史
williamhill责任
质量控制
安全生产
绿色环保
社会责任
人力资源
工作在williamhill
成长在williamhill
招聘信息
联系我们
Language
中文
English
한국어
日本語
信息公示
SHANDONG JIEJING
公司新闻
信息公示
审核认证
公司荣誉
公司历史
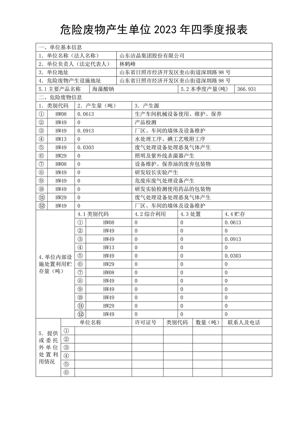
2023年危险废物产生及处置一览表
返回上一页